Магазин запчастей для бытовой техники - Arlos
Москва
close
Выберите ваш регион
АбаканАлександровАльметьевскАнгарскАрзамасАрмавирАртемАрхангельскАстраханьАчинскБалаковоБалашихаБеларусьБелгородБердскБерезникиБийскБлаговещенскБратскБрянскВеликий НовгородВидноеВладивостокВладикавказВладимирВолгоградВолгодонскВолжскийВологдаВолховВоркутаВоронежВоскресенскВыборгГатчинаГеленджикГрозныйДедовскДербентДзержинскДзержинскийДимитровградДмитровДолгопрудныйДомодедовоДонецкЕвпаторияЕгорьевскЕкатеринбургЕлецЕссентукиЖелезногорскЖелезнодорожныйЖуковскийЗеленоградЗлатоустИвановоИвантеевкаИжевскИркутскИстраЙошкар-ОлаКазаньКалининградКалугаКаменск-УральскийКамышинКаспийскКемеровоКерчьКировКисловодскКлинКовровКоломнаКомсомольск-на-АмуреКопейскКоролёвКостромаКотельникиКрасногорскКраснодарКраснознаменскКрасноярскКурганКурскКызылЛенинск-КузнецкийЛипецкЛобняЛыткариноЛюберцыМагнитогорскМайкопМалаховкаМахачкалаМиассМоскваМурманскМуромМытищиНабережные ЧелныНазраньНальчикНаро-ФоминскНахабиноНаходкаНевинномысскНефтекамскНефтеюганскНижневартовскНижнекамскНижний НовгородНижний ТагилНовокузнецкНовокуйбышевскНовомосковскНовороссийскНовосибирскНовоуральскНовочебоксарскНовочеркасскНовошахтинскНовый УренгойНогинскНорильскНоябрьскОбнинскОдинцовоОктябрьскийОмскОрелОренбургОрехово-ЗуевоОрскПавловский ПосадПензаПервоуральскПермьПетрозаводскПетропавловск-КамчатскийПодольскПрокопьевскПсковПушкиноПятигорскРаменскоеРеутовРостов-на-ДонуРубцовскРыбинскРязаньСакиСалаватСамараСанкт-ПетербургСаранскСаратовСевастопольСеверодвинскСеверскСергиев ПосадСерпуховСимферопольСмоленскСосновый БорСочиСтавропольСтарый ОсколСтерлитамакСтупиноСургутСызраньСыктывкарТаганрогТамбовТверьТихвинТольяттиТомилиноТомскТроицкТулаТюменьУлан-УдэУльяновскУссурийскУсть-ИлимскУфаУхтаФеодосияФрязиноХабаровскХанты-МансийскХасавюртХимкиЧебоксарыЧелябинскЧереповецЧеркесскЧеховЧитаШахтыЩелковоЭлектростальЭлистаЭнгельсЮжно-СахалинскЯкутскЯлтаЯрославль
  • - бесплатно по РФ
    Автоперезвон. Работает по принципу: Вы позвонили на номер, мы сбрасываем звонок и перезваниваем через 3 секунды.
  • - по Москве
  • 8 (925) 663-83-63

Call-центр

пн-вс: 10:00-19:00

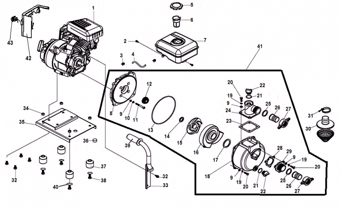
1 КОРПУС ПОМПЫ - САЛЬНИК - КРЫЛЬЧАТКА - УЛИТКА МОТОПОМПА CHAMPION GP40

NАртикулНазваниеСрок отгрузкиЦенаКупить
1 012010000055 Двигатель UP154 5-7 рабочих дней
2 511130601601 Болт М6х16 5-7 рабочих дней
3 029019900405 Хомут шланга 5-7 рабочих дней
4 029019900100 Шланг топливный 5-7 рабочих дней 174 р.
5 DA02P022 Крышка топливного бака 5-7 рабочих дней 111 р.
6 012020003600 Фильтр вставка топливного бака 5-7 рабочих дней 39 р.
7 012010003741 Бак топливный 5-7 рабочих дней 1.252 р.
8 039010100100 Крышка насоса сторона двигателя 5-7 рабочих дней 3.500 р.
9 513010800001 Шайба 8 5-7 рабочих дней
10 513010800099 Шайба 5-7 рабочих дней
11 511070806005 Болт М8х60 5-7 рабочих дней
12 039010110100 Сальник крыльчатки механический 5-7 рабочих дней 376 р.
13 039010100500 Кольцо уплотнительное корпуса помпы 5-7 рабочих дней 100 р.
14 039010110200 Сальник крыльчатки керамический 5-7 рабочих дней 442 р.
15 039010100700 Крыльчатка 5-7 рабочих дней 844 р.
16 039010100800 Корпус крыльчатки 5-7 рабочих дней 1.337 р.
17 039010100900 Кольцо уплотнительное корпуса 5-7 рабочих дней 247 р.
18 039010101000 Корпус помпы сторона фланцев 5-7 рабочих дней 3.208 р.
19 513020800002 Шайба 8 5-7 рабочих дней
20 511010802503 Болт М8х25 5-7 рабочих дней
21 039090101000 Кольцо уплотнительное пробки сливной 5-7 рабочих дней 72 р.
22 660240001-0001 Пробка сливная/заливная 5-7 рабочих дней 37 р.
23 039010101800 Прокладка фланца выпускного 5-7 рабочих дней 193 р.
24 039010101900 Фланец помпы выходной 5-7 рабочих дней 766 р.
25 039010102000 Кольцо уплотнительное патрубка 5-7 рабочих дней 58 р.
26 039010102100 Патрубок рукава вход/выход 5-7 рабочих дней 103 р.
27 039010102200 Гайка фланца 5-7 рабочих дней 344 р.
28 039010101600 Клапан насоса 5-7 рабочих дней 377 р.
29 039010101700 Фланец помпы входной 5-7 рабочих дней 474 р.
30 039010102300 Фильтр всасывающий 5-7 рабочих дней
31 039010130000 Хомут фильтра 5-7 рабочих дней
32 0511050801201 Болт М8х12 5-7 рабочих дней
33 02020000101 Кронштейн рукоятки 5-7 рабочих дней
34 0512040800001 Гайка М8 5-7 рабочих дней
35 032020010001 Поддон 5-7 рабочих дней
36 029910100600 Амортизатор 5-7 рабочих дней
37 029910300801 Виброизолятор помпы 5-7 рабочих дней 92 р.
38 511050802501 Болт М8х25 5-7 рабочих дней
39 029050100701 Рукоятка 5-7 рабочих дней
40 513040800000 Шайба 8 5-7 рабочих дней
41 039010100000 Корпус помпы в сборе 5-7 рабочих дней 6.837 р.
42 012010002900 Панель 5-7 рабочих дней 96 р.
43 029029900303 Выключатель зажигания 5-7 рабочих дней 73 р.
Найдено товаров: 43
1
▲ Наверх
0
8 (925) 663-83-63

Call-центр

пн-вс: 10:00-19:00

НАЙТИ ПО МОДЕЛИ
Введите номер заказа
Введите номер своего заказа, что бы узнать его текущий статус.
Что бы получить доступ к расширенным функциям, пройдите не сложную регистрацию. Зарегистрироваться