Магазин запчастей для бытовой техники - Arlos
Москва
close
Выберите ваш регион
АбаканАлександровАльметьевскАнгарскАрзамасАрмавирАртемАрхангельскАстраханьАчинскБалаковоБалашихаБеларусьБелгородБердскБерезникиБийскБлаговещенскБратскБрянскВеликий НовгородВидноеВладивостокВладикавказВладимирВолгоградВолгодонскВолжскийВологдаВолховВоркутаВоронежВоскресенскВыборгГатчинаГеленджикГрозныйДедовскДербентДзержинскДзержинскийДимитровградДмитровДолгопрудныйДомодедовоДонецкЕвпаторияЕгорьевскЕкатеринбургЕлецЕссентукиЖелезногорскЖелезнодорожныйЖуковскийЗеленоградЗлатоустИвановоИвантеевкаИжевскИркутскИстраЙошкар-ОлаКазаньКалининградКалугаКаменск-УральскийКамышинКаспийскКемеровоКерчьКировКисловодскКлинКовровКоломнаКомсомольск-на-АмуреКопейскКоролёвКостромаКотельникиКрасногорскКраснодарКраснознаменскКрасноярскКурганКурскКызылЛенинск-КузнецкийЛипецкЛобняЛыткариноЛюберцыМагнитогорскМайкопМалаховкаМахачкалаМиассМоскваМурманскМуромМытищиНабережные ЧелныНазраньНальчикНаро-ФоминскНахабиноНаходкаНевинномысскНефтекамскНефтеюганскНижневартовскНижнекамскНижний НовгородНижний ТагилНовокузнецкНовокуйбышевскНовомосковскНовороссийскНовосибирскНовоуральскНовочебоксарскНовочеркасскНовошахтинскНовый УренгойНогинскНорильскНоябрьскОбнинскОдинцовоОктябрьскийОмскОрелОренбургОрехово-ЗуевоОрскПавловский ПосадПензаПервоуральскПермьПетрозаводскПетропавловск-КамчатскийПодольскПрокопьевскПсковПушкиноПятигорскРаменскоеРеутовРостов-на-ДонуРубцовскРыбинскРязаньСакиСалаватСамараСанкт-ПетербургСаранскСаратовСевастопольСеверодвинскСеверскСергиев ПосадСерпуховСимферопольСмоленскСосновый БорСочиСтавропольСтарый ОсколСтерлитамакСтупиноСургутСызраньСыктывкарТаганрогТамбовТверьТихвинТольяттиТомилиноТомскТроицкТулаТюменьУлан-УдэУльяновскУссурийскУсть-ИлимскУфаУхтаФеодосияФрязиноХабаровскХанты-МансийскХасавюртХимкиЧебоксарыЧелябинскЧереповецЧеркесскЧеховЧитаШахтыЩелковоЭлектростальЭлистаЭнгельсЮжно-СахалинскЯкутскЯлтаЯрославль
  • - бесплатно по РФ
    Автоперезвон. Работает по принципу: Вы позвонили на номер, мы сбрасываем звонок и перезваниваем через 3 секунды.
  • - по Москве
  • 8 (925) 663-83-63

Call-центр

пн-вс: 10:00-19:00

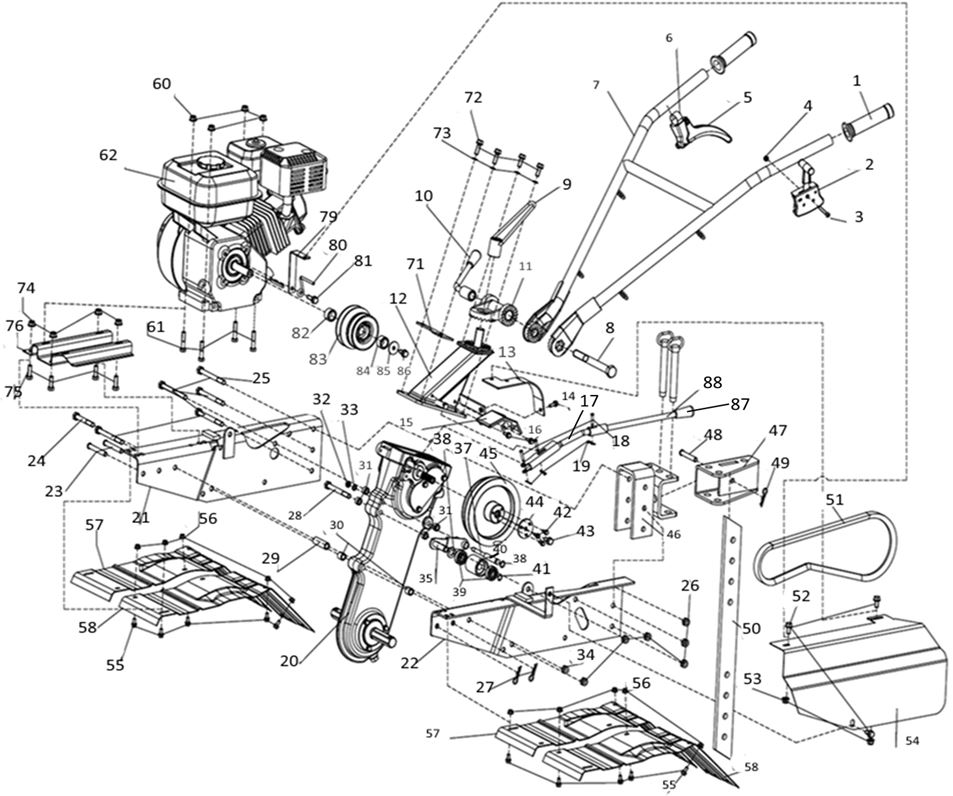
ЗАПЧАСТИ ДЛЯ МОТОБЛОКА БЕНЗИНОВОГО ELITECH КБ 503КМ (ОБЩАЯ)

NАртикулНазваниеСрок отгрузкиЦенаКупить
1 0400.130100 Накладка рукоятки 804020 КБ506КМ 360 р.
2 0400.280000 Модуль управления дросселем А01015-1 КБ 503КМ (см код 0400.129800) 341 р.
3 0400.280100 Винт M5х45 мм
4 0400.280200 Гайка стопорная M5
5 0400.280300 Рычаг сцепления заднего хода. Пластик. 804063. КБ 503КМ (аналог 0400.130200, 0400.130201) 481 р.
6 0400.280400 Хомут 804046 КБ503 КМ 121 р.
7 0400.280500 Рукоятка 2.331 р.
8 0400.280600 Болт рамы руля, М16х150. 809030-2. КБ 470.503.506 159 р.
9 0400.280700 Гайка рукоятки специальная. 750516-4. КБ 470.503 188 р.
10 0400.280800 Фиксатор рукоятки. 750516-2. КБ 470.503 303 р.
11 0400.280900 Опора зубчатая рукоятки управления. 750903-7. КБ 470.М3. СМ. 1601.065200 567 р.
12 0400.281000 Суппорт рукоятки
13 0400.281100 Крышка передачи ременной
14 0400.132000 Винт M6х14 мм
15 0400.281200 Крышка рычага
16 0400.132000 Винт M6х14 мм
17 0400.281300 Рычаг передачи 750215-1 КБ 503КМ, КБ 503КМ (см код 0400.301400) 458 р.
18 0400.281400 Палец 5х25. 809037-1. КБ 470.503 3 р.
19 0400.281500 Шплинт 2х20 мм 7 р.
20 0400.281600 Редуктор в сборе
21 0400.281700 Рама (правая)
22 0400.281800 Рама (левая)
23 0400.281900 Штифт 10х70 мм
24 0400.282000 Винт M8х70 мм
25 0400.282100 Винт M10х100 мм
26 0400.127800 Гайка стопорная M10
27 0400.107800 Шплинт 2,5 мм 31 р.
28 0400.282200 Винт M10х100 мм
29 0400.282300 Втулка 51 мм
30 0400.282400 Втулка 15 мм
31 0400.282500 Втулка 9 мм
32 0400.088200 Гайка M8
33 0400.282600 Шайба (пластиковая)
34 0400.089600 Гайка M8
34 0400.090800 Гайка M8
35 0400.282700 Суппорт ролика 750529-8 КБ503 КМ 240 р.
36 0400.089500 Шайба 8х25х2 мм
37 0400.282800 Шплинт ролика 750529-6 КБ503 КМ 149 р.
38 0400.282900 Клипс фиксирующий D 12 400114 КБ503 КМ 48 р.
39 0400.283000 Подшипник
40 0400.283100 Ролик натяжной 750529-10 КБ503 КМ 458 р.
41 0400.283200 Клипс фиксирующий D 13 801107 КБ503 КМ 48 р.
42 0400.132000 Винт M6х14 мм
43 0400.091200 Винт
43 0400.091100 Болт фланцевый M8х16 мм
44 0400.283300 Суппорт шкива
45 0400.283400 Шкив. 750211-8 КБ 503КМ, КБ 503КМ 2.707 р.
46 0400.283500 Суппорт сошника. 750203-7. КБ 503КМ 1.638 р.
47 0400.283600 Кронштейн крепления сошника 1.025 р.
48 0400.128500 Штифт под шплинт 10x50-60 мм 40 р.
49 0400.107800 Шплинт 2,5 мм 31 р.
50 0400.283700 Ограничитель глубины (сошник). 750205-5. КБ 503КМ. СМ.1601.064450 720 р.
51 0400.283800 Ремень А38
52 0400.283900 Винт M8х16 мм
54 0400.284100 Кожух ременной передачи КБ503 518 р.
55 0400.284000 Гайка фланцевая M8
55 0400.132000 Винт M6х14 мм
56 0400.284200 Гайка фланцевая M6
57 0400.284300 Крыло правое. 750222-3. КБ 503КМ 497 р.
58 0400.284400 Крыло левое. 750223-3. КБ 503КМ 497 р.
60 0400.129700 Гайка M8
61 0400.090200 Болт M8х40 мм
62 0400.284600 Двигатель в сборе.170F 806020. КБ 503.506КМ, 60H 16.793 р.
71 0400.284700 Поддержка провода
72 0400.089300 Болт рычага сцепления 395 р.
73 0400.284350 Шайба D.8 мм (пластиковая)
74 0400.129700 Гайка M8
75 0400.089300 Болт рычага сцепления 395 р.
76 0400.284800 Щит двигателя 750206 КБ 503КМ, КБ 506КМ 273 р.
79 0400.284900 Кронштейн крепления кожуха
80 0400.285000 Ограничитель ремня 750227 КБ503 КМ 70 р.
81 0400.285100 Винт M8х20 мм
81 0400.222222 Груша для откачки масла
82 0400.285200 Втулка 12 мм
83 0400.285300 Шкив ведущий 1.357 р.
84 0400.285400 Втулка шкива ведущего, h=15.5мм. 801169. КБ 503.506КМ 72 р.
85 0400.285500 Шайба 20х30х1,5 мм
86 0400.285600 Винт M8х20 мм
87 0400.290400 Рукоятка рычага M10 (резиновая)
88 0400.301300 Рычаг переключения передач нижний. 809162-1. КБ 470 259 р.
Найдено товаров: 80
1
▲ Наверх
0
8 (925) 663-83-63

Call-центр

пн-вс: 10:00-19:00

НАЙТИ ПО МОДЕЛИ
Введите номер заказа
Введите номер своего заказа, что бы узнать его текущий статус.
Что бы получить доступ к расширенным функциям, пройдите не сложную регистрацию. Зарегистрироваться